Experience the future of membranes
Dive into the science that keeps our water clean and safe

Our research
What are membranes?
Membrane separations are critical to almost every aspect of our daily lives, from the energy we use to the medications we take. We specialize in membranes that work as filters to separate contaminants from clean water.
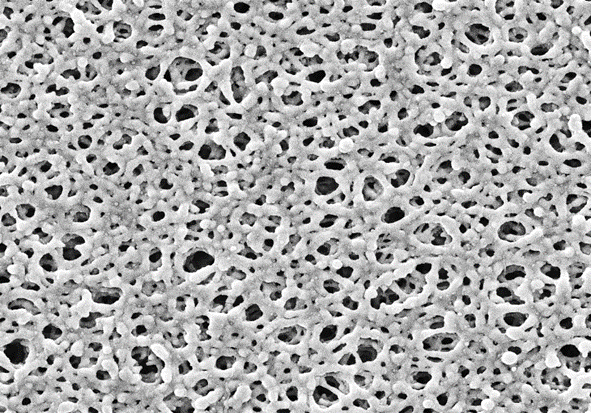
They are thin sheets with tiny holes, called pores, that allow water molecules to pass through while blocking dirt, bacteria, viruses, and chemicals.
Smaller holes can block everything – even salt from sea water. Larger holes can only block particles which are much bigger than salt – for example mud.


Membrane filtration removes small particles and chemicals from water
By applying high pressure, water is forced through the membrane, leaving impurities behind. Membranes can be made from different materials, such as polymers or ceramics, each with unique properties to target specific contaminants.


The filtration process can make water safe to drink, filter sewage, or remove bacteria from milk.
Why membrane filtration?
- Low energy consumption
- Simple and inexpensive operation
- Environmentally friendly process
Our purpose
Why are we using digital technologies?
Our goal is to bridge the gap between society and scientific advancements in the field of membranes.
To achieve this, we plan to use interactive digital technologies, including games, apps, and virtual reality, to make membrane science accessible and engaging for a broader audience.
Digital and immersive technologies can allow us to access spaces that are very difficult to reach, from tiny particles to huge factories.




Our goals
Informing

Listening

Involving

Empowering

Working together

Join our events!
Stay up to date with the latest from our events.
